|
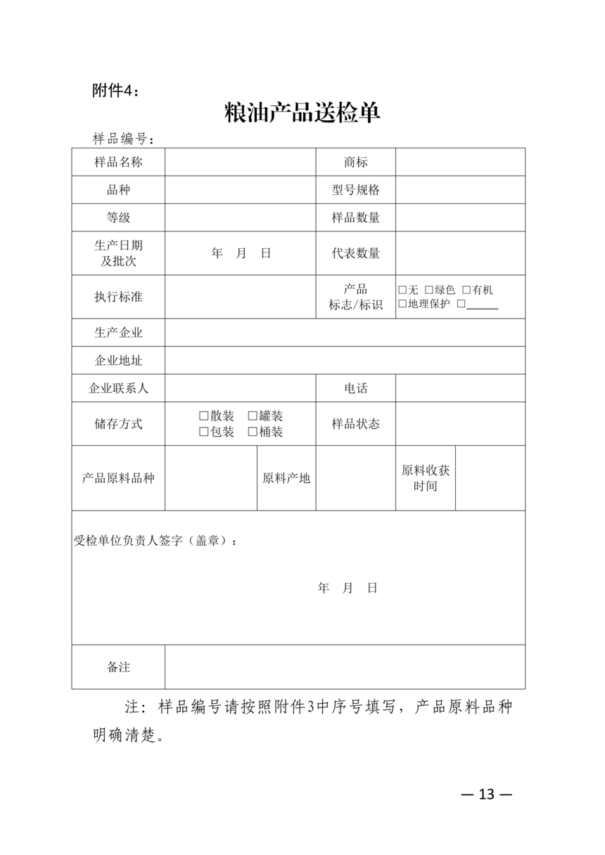
关于开展2023—2024年度“荆楚好粮油”产品年审工作的通知时间:2025-10-24 各市、州粮食(大米)行业协会、粮食加工企业及相关单位: 根据《“荆楚好粮油”产品遴选管理办法》相关要求,省粮食行业协会(以下简称省粮协)决定开展2023、2024年度“荆楚好粮油”产品年审工作。现就有关事项通知如下: 一、年审范围 2023、2024年获得“荆楚好粮油”称号的111个产品(名单见附件2)。 二、年审方式 (一)信息化审查。省粮协组织工作专班,对获得2023、2024年度“荆楚好粮油”产品称号的企业,近3年的产品质量问题、安全生产责任事故、环境污染事件、行政处罚、不良信用记录和消费投诉等被处罚情况,进行信息化审查。 (二)质量复查。2023、2024年获得“荆楚好粮油”产品称号的企业将产品近一年内第三方检测报告向我会报备。 (三)产品抽检。省粮协按照不低于30%的比例抽取重点企业进行检测(名单见附件3),检测结果记录备案,并根据产品抽检质量遴选2025年十大好吃大米,优质食用油等。 (四)结果公示与发布。省粮协根据信息化审查、质量复查和产品抽检的结果,按相关程序将年审通过名单,在省粮协官方网站及微信公众号上予以公示。公示期满无异议的,按相关程序正式发布, 三、有关要求 (一)各年审企业要重视“荆楚好粮油”年审工作,认真填写《“荆楚好粮油”产品年审统计表》(附件1),填报内容要求真实、客观、准确,并于2025年11月5日前,将附件1和产品近一年内的第三方检测报告打包反馈至省粮协指定邮箱,逾期不予接收。 (二)纳入质量抽检范围的企业按照文件要求,规范采样,抽取一式三份样品(小包装粮油可抽取原包装样品),填写粮油产品送检单(附件4)签字盖章,一并密封包装寄送至省检测中心。 (三)商请各市(州)粮协请积极协助组织年审企业进行年审,并督促指导年审企业完成《“荆楚好粮油”产品年审统计表》。 四、联系方式 (1)政策咨询人:张玲,联系电话:027-88924960; (2)电子材料接收人:肖俊飞,联系电话:15527757251; (3)样品接收人:毛红霞,联系电话:027-88873413; 产品接收地址:武汉市东湖新技术开发区高新大道888号高农生物园1区2号楼。 特此通知。
附件:1.“荆楚好粮油”产品年审统计表 2.2023年—2024年“荆楚好粮油”产品名单 3.产品抽检名单 4.粮油产品送检单
湖北省粮食行业协会 2025年10月24日
|













